一、安裝位置的選擇
根據客戶的要求確定道閘的安裝位置,應注意以下幾方面的要求:
1.安裝位置要必須能使道閘擋桿在垂直和水平的夾角內運行。
2.如果不做安裝基礎,安裝面就必須要能牢固的固定箱體,使擋桿能穩定的運行。
3.如果做安裝基礎,建議用快干水泥做,安裝基礎不小于800*800*150MM安裝面水平。
二、安裝孔位的確定
1.安裝孔位可以在安裝面上按以下尺寸確定。

2.安裝孔位的確定也可以將道閘箱體放于安裝面上,通過箱體的安裝孔位在安裝面上做標記。
三、電源線鋪設
將電源線從電源處鋪設至道閘箱體內,電源線的規格為 RVV3×1.5mm²或更大規格。
四、箱體的安裝
1.用直徑14MM 的沖擊鉆頭在安裝孔位上鉆孔,深度100MM 左右。
2.將直徑 12MM 的膨脹螺栓打入安裝孔內,擰緊螺母后,并退出螺母。
3.將道閘箱體放在安裝孔位上,一邊擰緊螺母,一邊調整道閘箱體的垂直度,使箱體垂直,最終牢固的固定箱體。
五、固定擋桿
將擋桿夾板與擋桿桿孔位對齊,穿入直徑 12MM 的螺栓,然后將擋桿固定在道閘箱體的擋桿固定板上。
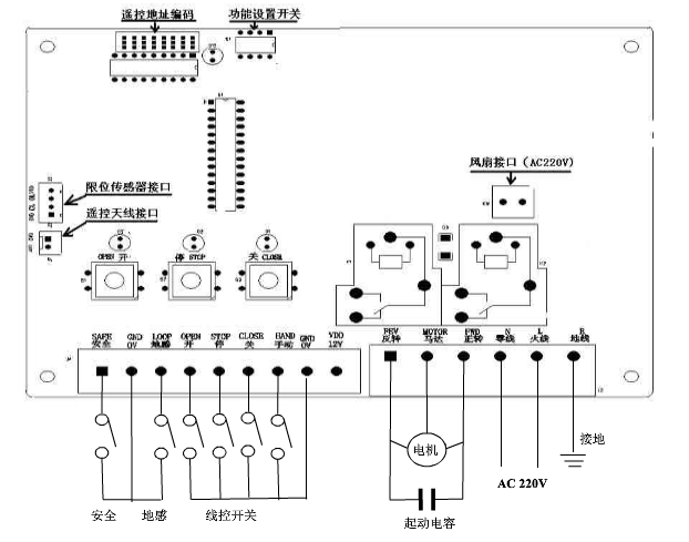
六、內部接線













